Haakse tandwielkast A0352 i=95.6 holle as UH40 servoflens SC60B positie B3

Haakse tandwielreductor type A0352 uitvoering UH holle as diameter 40mm, overbrengingsverhouding i = 95.6 met servomotor aanbouwflens SC60B

Productspecificaties
Product code A0352095662BH
Leveranciernummer A0352 UH40 95.6 SC60B B3
Serie code reductor A - Haakse kegeltandwiel reductor
Type ingang reductor SC - Servoflens klembus
Reductor uitvoering UH - Holle as met spiebaan
Ingaand vermogen [kW] 0.75 kW
Uitgaand koppel reductor [Nm] 461 Nm
Uitgaand toerental reductor [rpm] 14.6 min-1
Uitgaande asdiameter reductor 40 mm
Type code reductor A0352
Om de datasheet te kunnen downloaden moet je ingelogd zijn. Klik hier om in te loggen.
fabrikant Bonfiglioli Riduttori
serie code reductor A - Haakse kegeltandwiel reductor
type code reductor A0352
reductor uitvoering UH - Holle as met spiebaan
type ingang reductor SC - Servoflens klembus
montage positie reductor B3
uitgaande asdiameter reductor 40 mm
ingaand vermogen [kW] 0.75 kW
thermisch vermogen [1400 rpm] 9.5 kW
uitgaand koppel reductor [Nm] 461 Nm
service factor 1.2
ingaand toerental reductor 1400 min-1
overbrengingsverhouding 95.6
exacte overbrengingsverhouding 95.64286
uitgaand toerental reductor [rpm] 14.6 min-1
hoekspeling standaard 11 '
hoekspeling gereduceerd 6 '
massatraagheid reductor 0.000088 kgm²
dynamisch rendement 94 %
gewicht reductor 29 kg
hoeveelheid smeerolie 2.9 L
servo flens grootte 60B
servo flens type SC

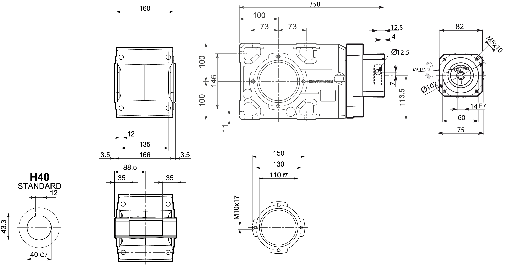
Tekening

Maatschets Bonfiglioli Riduttori A-serie kegeltandwielkast type A0352 bouwvorm UH met servo aanbouwflens SC060B

Een haakse aandrijving met een hoog rendement en een grote veelzijdigheid wat betreft overbrengverhoudingen en motoropties kan alleen maar een A-serie zijn. Toegepast in de algemene machinebouw, maar ook als de centrale aandrijving van grote ankerlieren bezit dit type aandrijving een veelzijdigheid en een duurzaamheid die menig Zwitsers zakmes jaloers maakt.

De haakse tandwielkasten uit de A-serie zijn leverbaar met verschillende ingangen;

  • HS uitvoering met massief ingaande as
  • P uitvoering met IEC of NEMA gestandaardiseerde motor aanbouwflens
  • M uitvoering met geintegreerde draaistroommotor (optioneel met rem)
  • SK uitvoering met servomotor aanbouwflens
  • SC uitvoering met servomotor aanbouwflens

Sommige uitvoeringen en bouwgroottes zijn leverbaar ATEX gecertificering

Voor de SC uitvoering met servomotor aanbouwflens zijn de volgende eigenschappen van toepassing;

Koppel

  • 100 – 2.800 Nm

Uitgaand vermogen (bij n1 = 1400 rpm)

  • 0,22 – 24 kW

Overbrengingsverhoudingen

  • 4,9 – 755

Uitvoering ingang

  • SC grootte 60A - 180B

BONAK199700103
Beschermkap uitgaande as voor kegeltandwielreductor A35 UH uitvoering (holle cilindrische as)
ARMA0035
Reactiearm voor kegeltandwielreductor A35
BONFL197400508
Losse flens D=300 en pasrand kast 110, voor reductor A35FB
BONFL197400561
Losse flens D=250 en pasrand kast 110, voor reductor A35FA, F25FB, F31FB, C041FB