Losse universele flens D=550 en pasrand kast 230

Losse flens D=550 en pasrand kast 230, voor reductor A80FB

Productspecificaties
Product code BONFL197400533
Leveranciernummer BONUF-550-230
Optie voor serie Algemeen
Om de datasheet te kunnen downloaden moet je ingelogd zijn. Klik hier om in te loggen.
optie voor serie Algemeen
geschikt voor reductor type A80FB
pasrand reductorzijde 230 mm
steekcirkel reductor zijde 265 mm

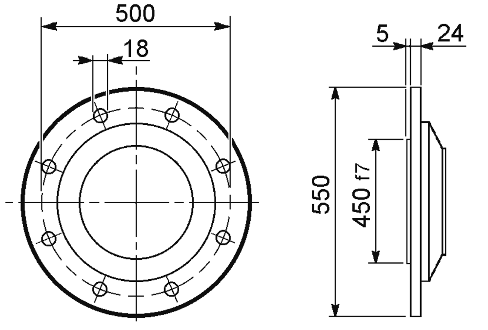
Tekening

Maatschets losse flens pasrand 400mm - steekcirkel 450mm - buitendiameter 500mm

Om de uitgaande as is de reductor voorzien van een pasvlak met een pasrand. Met de optie UF kan een losse montageflens meegeleverd die hierop gemonteerd kan worden. De pasrand, steekcirkel en buitendiameter van deze flenzen zelf hebben genormeerde afmetingen en per reductortype zijn meerdere grootte leverbaar.

Downloads

Om de product downloads te kunnen zien moet je ingelogd zijn. Klik hier om in te loggen.