Opsteek tandwielkast F0313 uitgaande as R i=101.9 motorflens P63/B5 positie H1

Opsteek tandwielreductor type F0313 uitvoering R insteekas diameter 35mm, overbrengingsverhouding i = 101.9 met IEC motor aanbouwflens P63/B5

Productspecificaties
Product code F0313010102BR
Leveranciernummer F0313 R 101.9 P63 H1
Serie code reductor F - Opsteek tandwielreductor
Type ingang reductor P - IEC motorflens
Reductor uitvoering R - Massief uitgaande as
Ingaand vermogen [kW] 0.18 kW
Uitgaand koppel reductor [Nm] 117 Nm
Uitgaand toerental reductor [rpm] 13.7 min-1
Uitgaande asdiameter reductor 35 mm
Type code reductor F0313
Om de datasheet te kunnen downloaden moet je ingelogd zijn. Klik hier om in te loggen.
fabrikant Bonfiglioli Riduttori
serie code reductor F - Opsteek tandwielreductor
iEC flens type B5
iEC flensgrootte 63
type code reductor F0313
reductor uitvoering R - Massief uitgaande as
type ingang reductor P - IEC motorflens
montage positie reductor H1
uitgaande asdiameter reductor 35 mm
ingaand vermogen [kW] 0.18 kW
uitgaand koppel reductor [Nm] 117 Nm
service factor 5.2
ingaand toerental reductor 1400 min-1
overbrengingsverhouding 101.9
exacte overbrengingsverhouding 101.88492
uitgaand toerental reductor [rpm] 13.7 min-1
massatraagheid reductor 0.00013 kgm²
dynamisch rendement 93 %
gewicht reductor 17 kg
hoeveelheid smeerolie 2.6 L

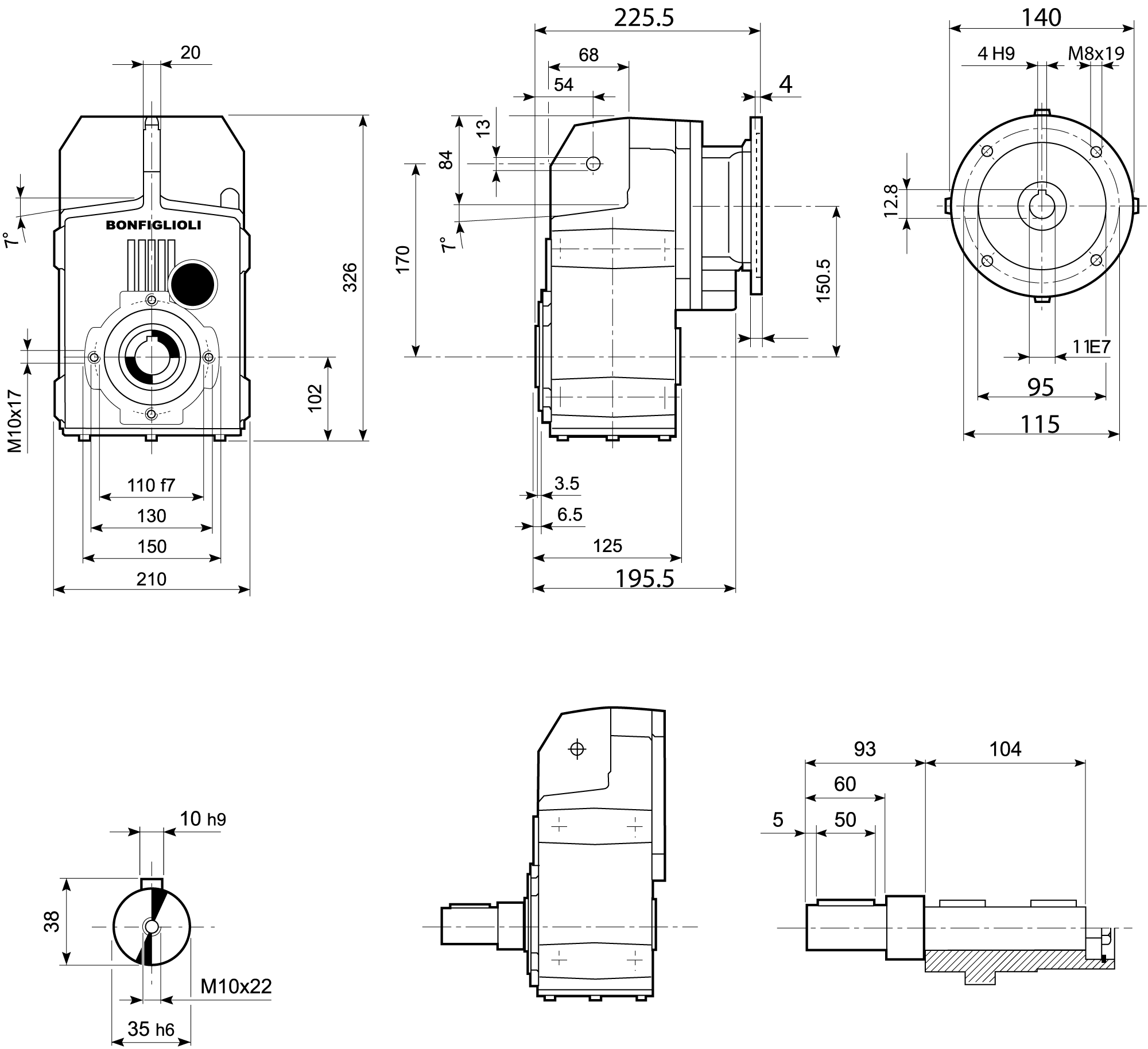
Tekening

Maatschets Bonfiglioli Riduttori F-serie opsteek tandwielkast type F0312 bouwvorm R met IEC motoraanbouwflens P063/B5

Een efficiënte en eenvoudige manier om een aandrijving te integreren in een transportsysteem, de opsteekreductoren van de F-serie. Licht in eigen gewicht maar een zwaargewicht voor wat betreft de prestaties en betrouwbaarheid. Eigenschappen die van de F-serie opsteekreductoren de ideale oplossing maken voor zowel goede en betrouwbare prestaties als voor een makkelijke montage.

De rechte tandwielkasten uit de F-serie zijn leverbaar met verschillende ingangen;

  • HS uitvoering met massief ingaande as
  • P uitvoering met IEC of NEMA gestandaardiseerde motor aanbouwflens
  • M uitvoering met geintegreerde draaistroommotor (optioneel met rem)
  • SK uitvoering met servomotor aanbouwflens
  • SC uitvoering met servomotor aanbouwflens

 

Sommige uitvoeringen en bouwgroottes zijn leverbaar ATEX gecertificering

Voor de P uitvoering met motoraanbouwflens zijn de volgende eigenschappen van toepassing;

Koppel

  • 140 – 14.000 Nm

Uitgaand vermogen (bij n1 = 1400 rpm)

  • 0,17 – 125 kW

Overbrengingsverhoudingen

  • 6,4 – 2099

Uitvoering ingang

  • IEC grootte 63 - 250
  • NEMA

WEBBOF31FL
Bewerkte zijkant met tapgaten voor opsteekreductor F31
BONFL197400561
Losse flens D=250 en pasrand kast 110, voor reductor A35FA, F25FB, F31FB, C041FB
BONFL197400560
Losse flens D=200 en pasrand kast 110, voor reductor F25FA, F31FA, C041FA