Opsteek tandwielkast F0313 holle as H35 i=101.9 servoflens SC130A positie H1

Opsteek tandwielreductor type F0313 uitvoering H holle as diameter 35mm, overbrengingsverhouding i = 101.9 met servomotor aanbouwflens SC130A

Productspecificaties
Product code F0313010171BH
Leveranciernummer F0313 H35 101.9 SC 130A H1
Serie code reductor F0313
Type ingang reductor SC - Servoflens klembus
Reductor uitvoering H - Holle as met spie
Ingaand vermogen [kW] 0.75 kW
Uitgaand koppel reductor [Nm] 486 Nm
Uitgaand toerental reductor [rpm] 13.7 min-1
Uitgaande asdiameter reductor 35 mm
Om de datasheet te kunnen downloaden moet je ingelogd zijn. Klik hier om in te loggen.
fabrikant Bonfiglioli Riduttori
serie code reductor F0313
reductor uitvoering H - Holle as met spie
type ingang reductor SC - Servoflens klembus
montage positie reductor H1
uitgaande asdiameter reductor 35 mm
ingaand vermogen [kW] 0.75 kW
uitgaand koppel reductor [Nm] 486 Nm
service factor 1.2
ingaand toerental reductor 1400 min-1
overbrengingsverhouding 101.9
exacte overbrengingsverhouding 101.88492
uitgaand toerental reductor [rpm] 13.7 min-1
massatraagheid reductor 0.00042 kgm²
dynamisch rendement 93 %
gewicht reductor 21 kg
hoeveelheid smeerolie 2.6 L
servo flens grootte 130A
servo flens type SC

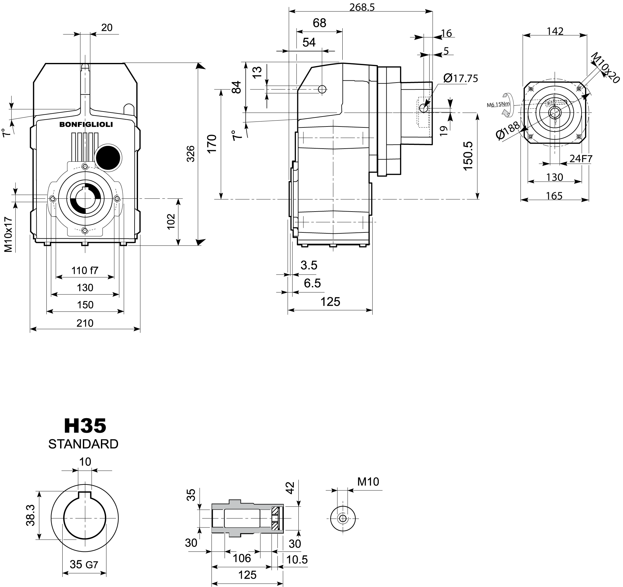
Tekening

Maatschets Bonfiglioli Riduttori F-serie opsteek tandwielkast type F0312 bouwvorm H met servo aanbouwflens SC130A

Een efficiënte en eenvoudige manier om een aandrijving te integreren in een transportsysteem, de opsteekreductoren van de F-serie. Licht in eigen gewicht maar een zwaargewicht voor wat betreft de prestaties en betrouwbaarheid. Eigenschappen die van de F-serie opsteekreductoren de ideale oplossing maken voor zowel goede en betrouwbare prestaties als voor een makkelijke montage.

De rechte tandwielkasten uit de F-serie zijn leverbaar met verschillende ingangen;

  • HS uitvoering met massief ingaande as
  • P uitvoering met IEC of NEMA gestandaardiseerde motor aanbouwflens
  • M uitvoering met geintegreerde draaistroommotor (optioneel met rem)
  • SK uitvoering met servomotor aanbouwflens
  • SC uitvoering met servomotor aanbouwflens

Sommige uitvoeringen en bouwgroottes zijn leverbaar ATEX gecertificering

Voor de SC uitvoering met servomotor aanbouwflens zijn de volgende eigenschappen van toepassing;

Koppel

  • 140 – 2.900 Nm

Uitgaand vermogen (bij n1 = 1400 rpm)

  • 0,17 – 20 kW

Overbrengingsverhoudingen

  • 6,4 – 1539

Uitvoering ingang

  • SC grootte 60A - 180B

WEBBOF31AV
Anti vibratie kit voor opsteekreductor F31
WEBBOF31FL
Bewerkte zijkant met tapgaten voor opsteekreductor F31
BONFL197400561
Losse flens D=250 en pasrand kast 110, voor reductor A35FA, F25FB, F31FB, C041FB
BONFL197400560
Losse flens D=200 en pasrand kast 110, voor reductor F25FA, F31FA, C041FA